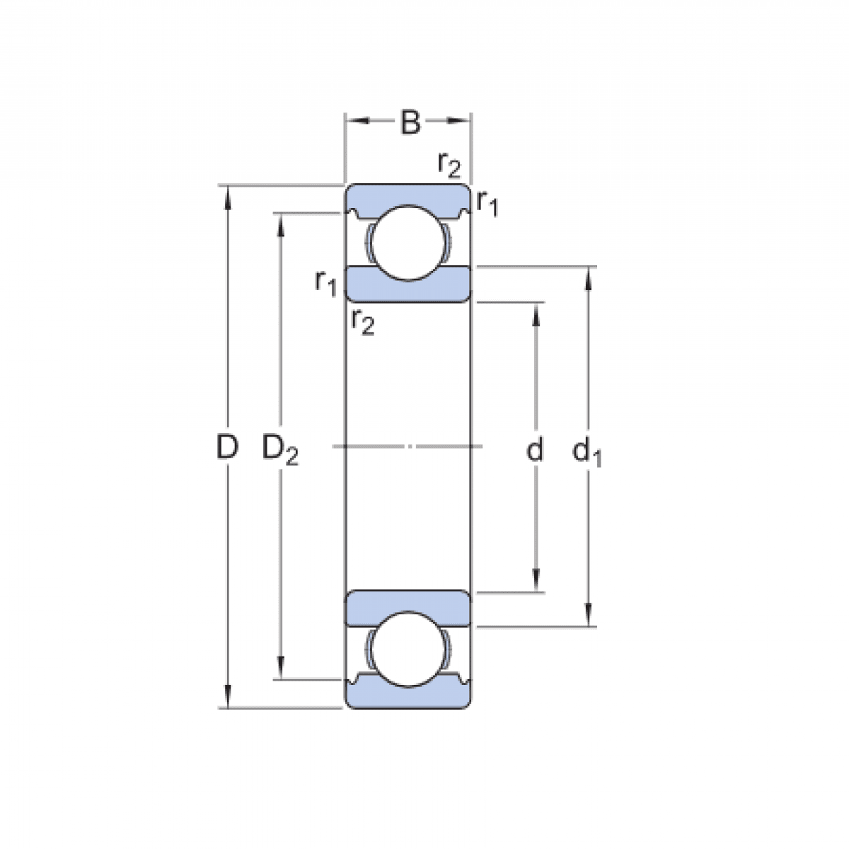
Ložisko 6019 C3 - ZKL NEW

Rozmer: 95x145x24 Značka: ZKL
Externý sklad na dopyt
+
-
ks