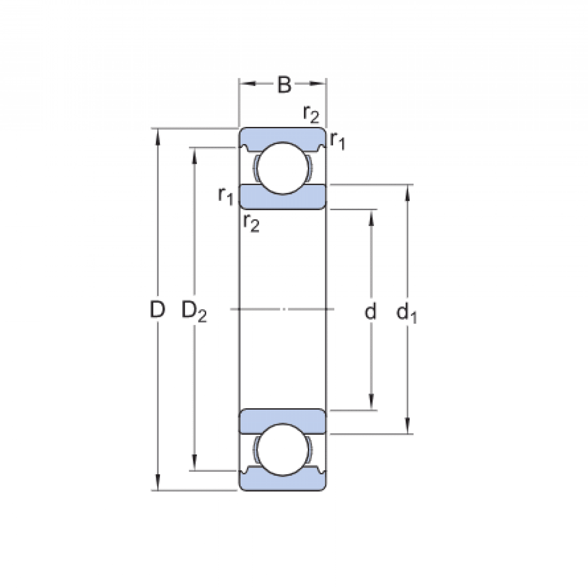
Ložisko 6019 - ZKL

Rozmer: 95x145x24 Značka: ZKL
Externý sklad na dopyt
+
-
ks