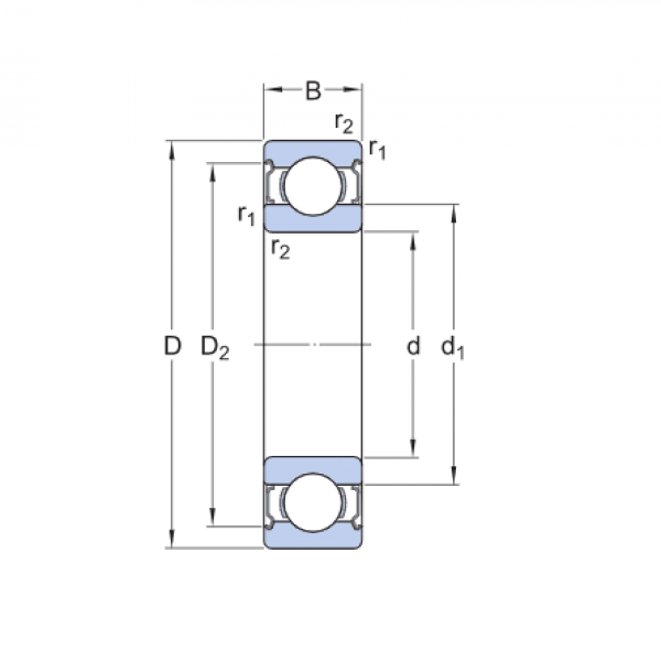
Ložisko 6020 2RS C2 - SLF

Rozmer: 100x150x24 Značka: SLF
Externý sklad na dopyt
+
-
ks