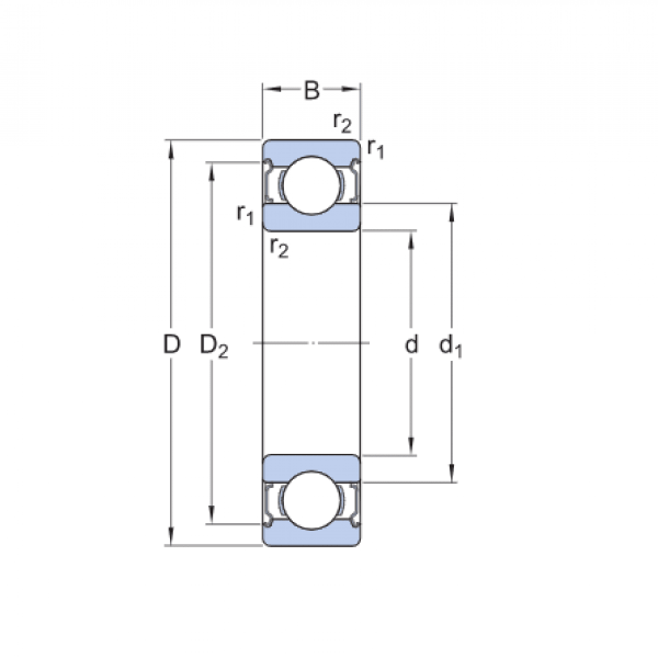
Ložisko 6020 2RS C3 - SKF

Rozmer: 100x150x24 Značka: SKF
Skladom 1 ks na dopyt
+
-
ks