Ložisko 6020 2RS - MTM

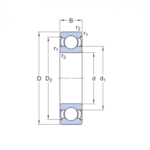
Rozmer: 100x150x24 Značka: MTM
Skladom 2 ks na dopyt
+
-
ks