Ložisko 6020 2RS - SKF

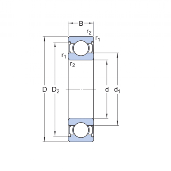
Rozmer: 100x150x24 Značka: SKF
Skladom 2 ks na dopyt
+
-
ks