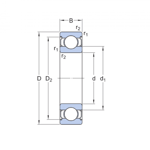
Ložisko 6020 2RS - ZVL

Rozmer: 100x150x24 Značka: ZVL
Skladom 2 ks na dopyt
+
-
ks