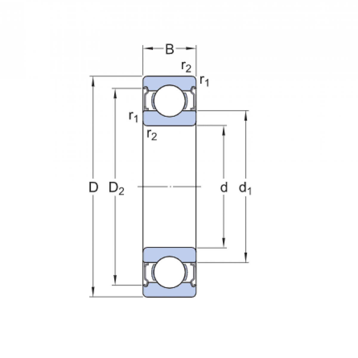
Ložisko 6020 2Z C3 - FAG

Rozmer: 100x150x24 Značka: FAG
Externý sklad na dopyt
+
-
ks