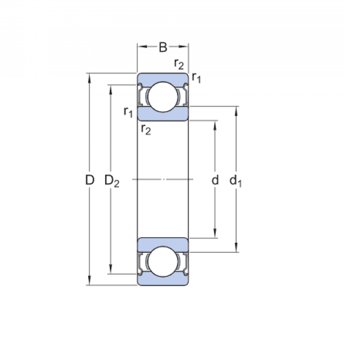
Ložisko 6020 2Z - CX

Rozmer: 100x150x24 Značka: CX
Skladom 1 ks na dopyt
+
-
ks