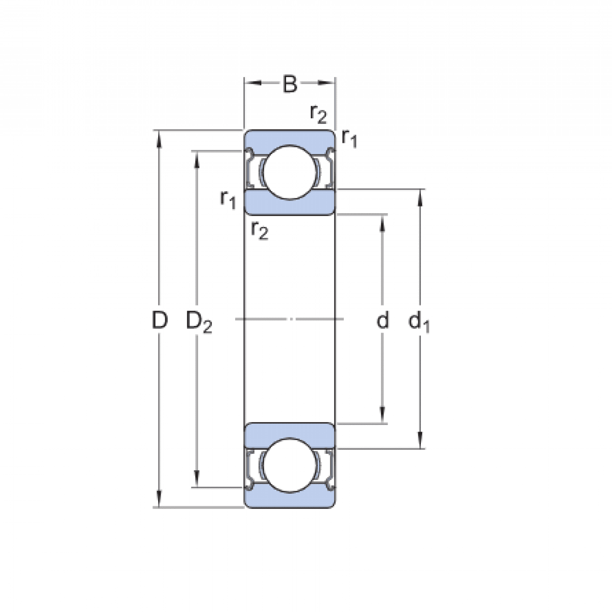
Ložisko 6020 2Z - ZKL NEW

Rozmer: 100x150x24 Značka: ZKL
Externý sklad na dopyt
+
-
ks