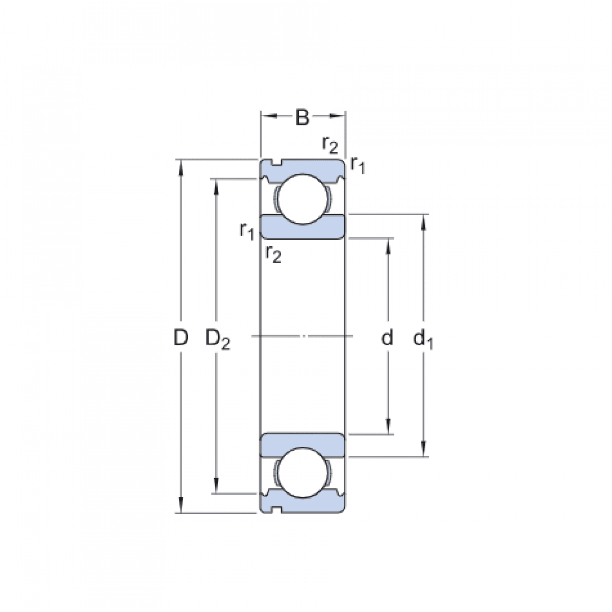
Ložisko 6020 N - CX

Rozmer: 100x150x24 Značka: CX
Skladom 41 ks na dopyt
+
-
ks