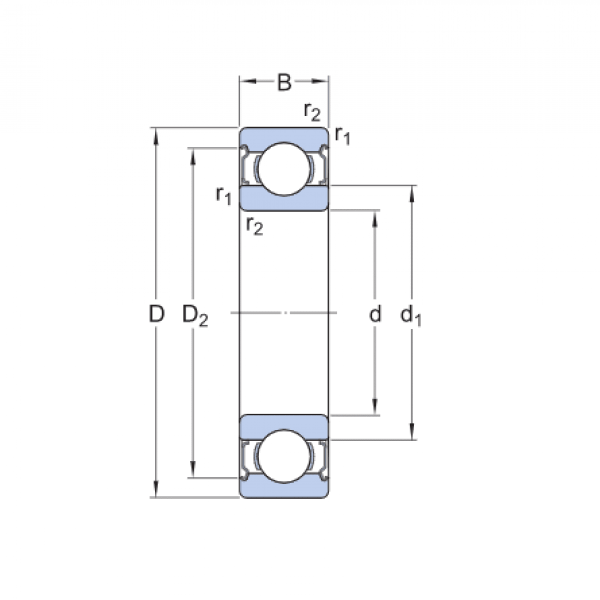
Ložisko 6021 2RS - KBS

Rozmer: 105x160x26 Značka: KBS, KBC
Externý sklad na dopyt
+
-
ks