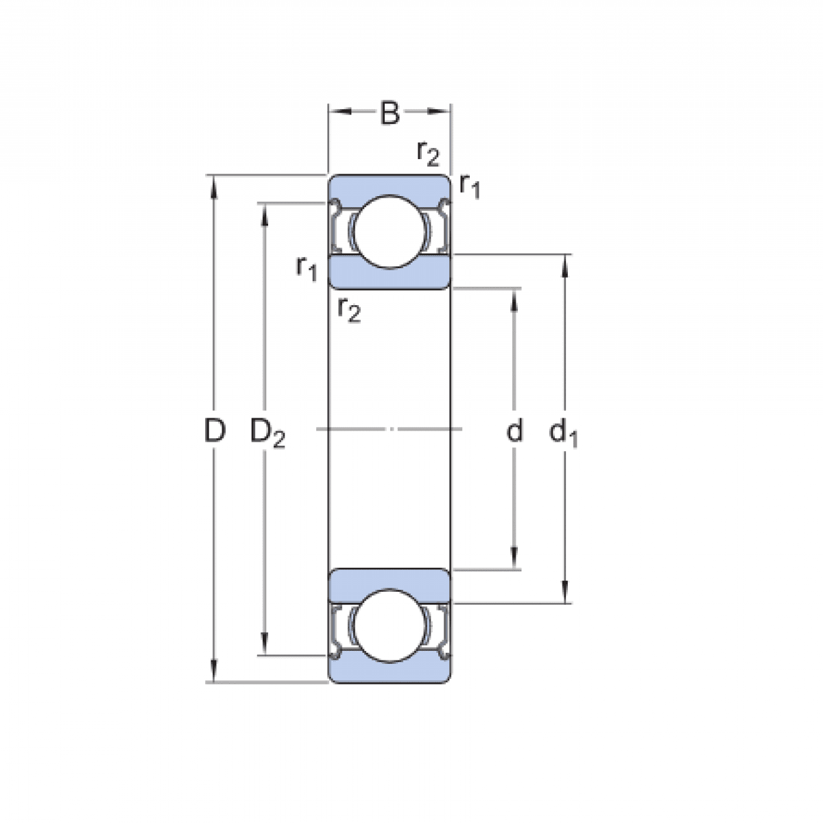
Ložisko 6021 2Z - CX

Rozmer: 105x160x26 Značka: CX
Externý sklad na dopyt
+
-
ks