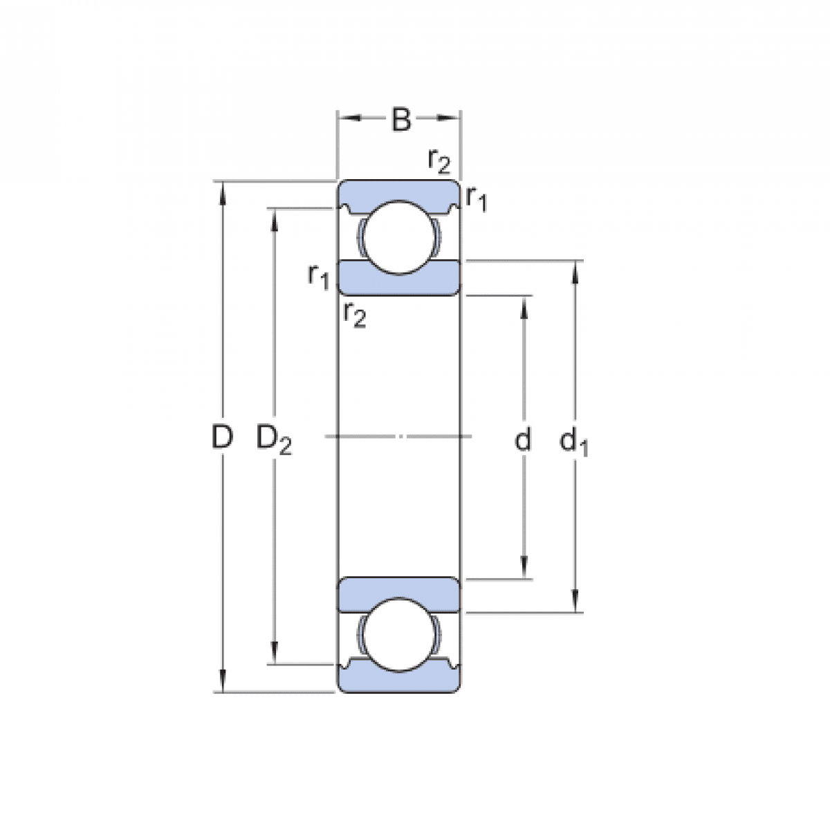
Ložisko 6021 C3 - ZKL NEW

Rozmer: 105x160x26 Značka: ZKL
Externý sklad na dopyt
+
-
ks