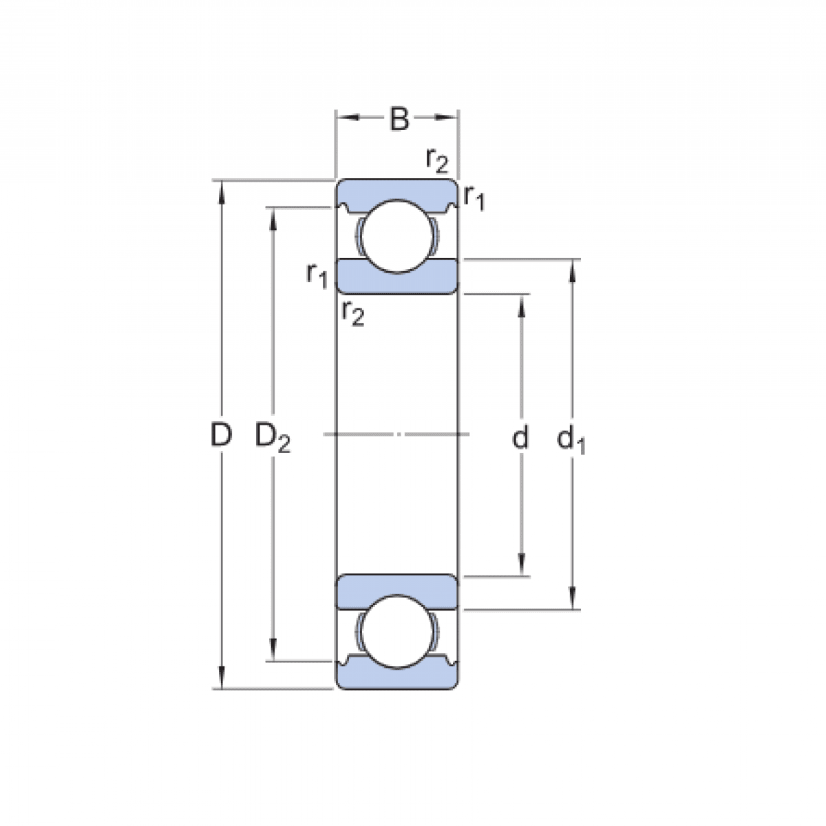
Ložisko 6021 C6 - ZKL

Rozmer: 105x160x26 Značka: ZKL
Externý sklad na dopyt
+
-
ks