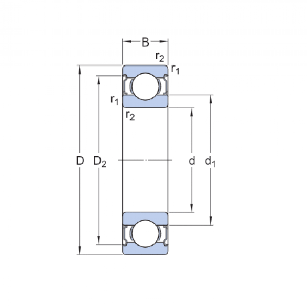
Ložisko 6022 2RS - CX

Rozmer: 110x170x28 Značka: CX
Externý sklad na dopyt
+
-
ks