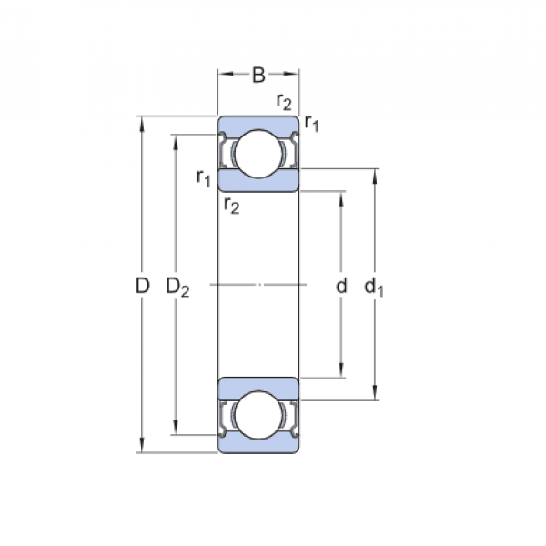
Ložisko 6022 2RS - FAG

Rozmer: 110x170x28 Značka: FAG
Externý sklad na dopyt
+
-
ks