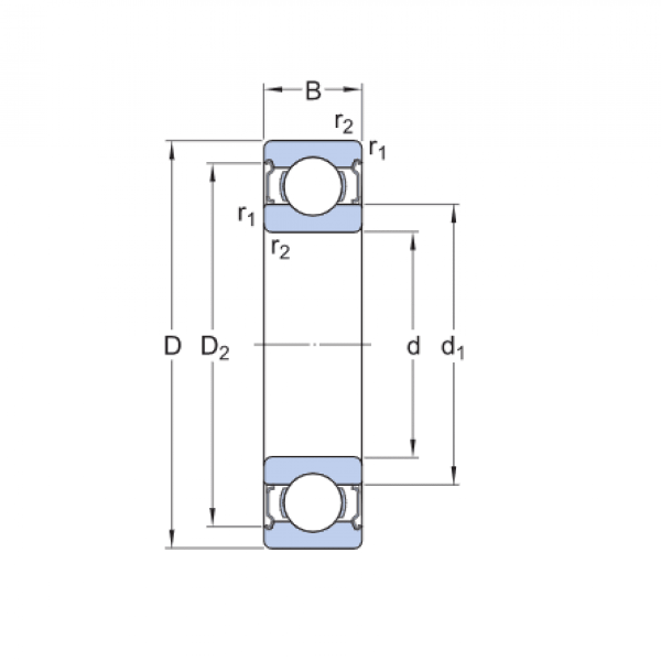
Ložisko 6022 2RS - KOYO

Rozmer: 110x170x28 Značka: KOYO-TORRINGTON
Externý sklad na dopyt
+
-
ks