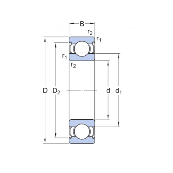
Ložisko 6022 2RS - MTM

Rozmer: 110x170x28 Značka: MTM
Externý sklad na dopyt
+
-
ks