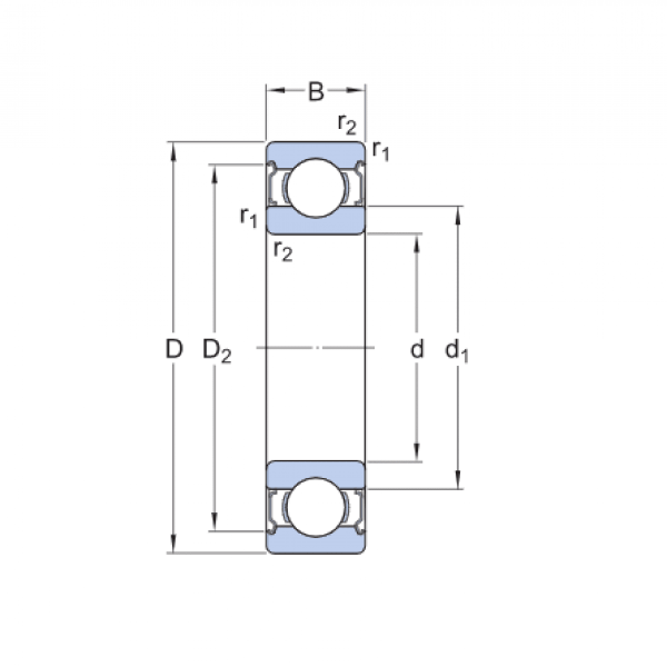
Ložisko 6022 2RS1 C3 - SKF

Rozmer: 110x170x28 Značka: SKF
Skladom 1 ks na dopyt
+
-
ks