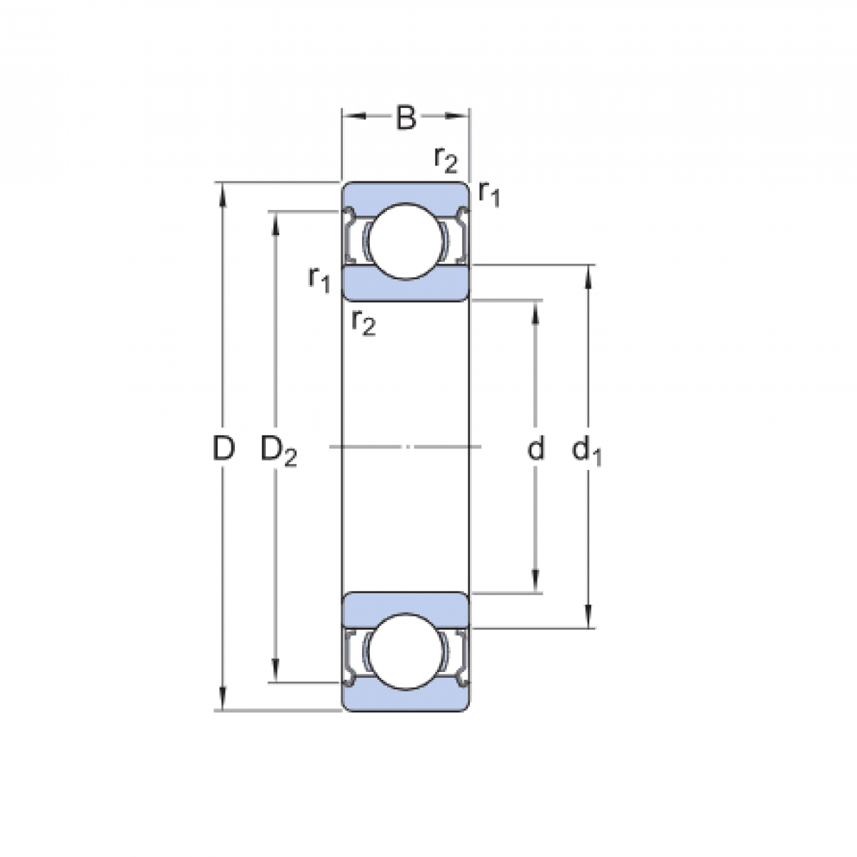
Ložisko 6022 2Z - CX

Rozmer: 110x170x28 Značka: CX
Skladom 1 ks na dopyt
+
-
ks