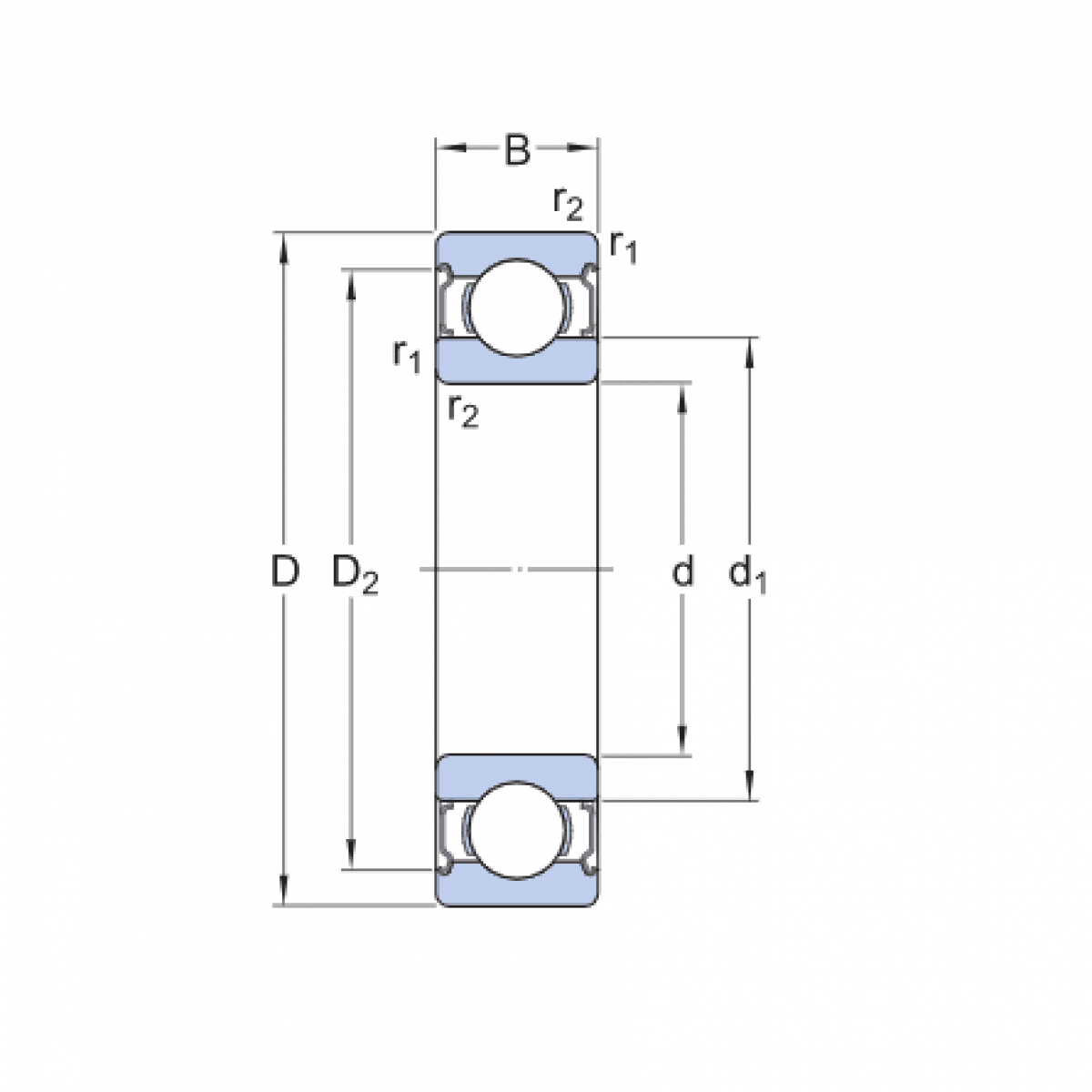
Ložisko 6022 2Z - ISB

Rozmer: 110x170x28 Značka: ISB, JNS
Externý sklad na dopyt
+
-
ks