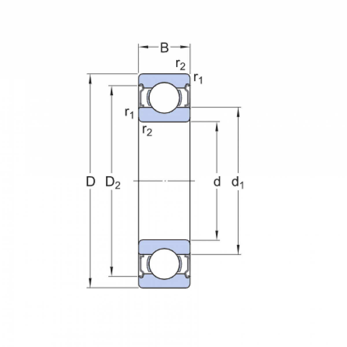
Ložisko 6022 2Z - KBS

Rozmer: 110x170x28 Značka: KBS, KBC
Externý sklad na dopyt
+
-
ks