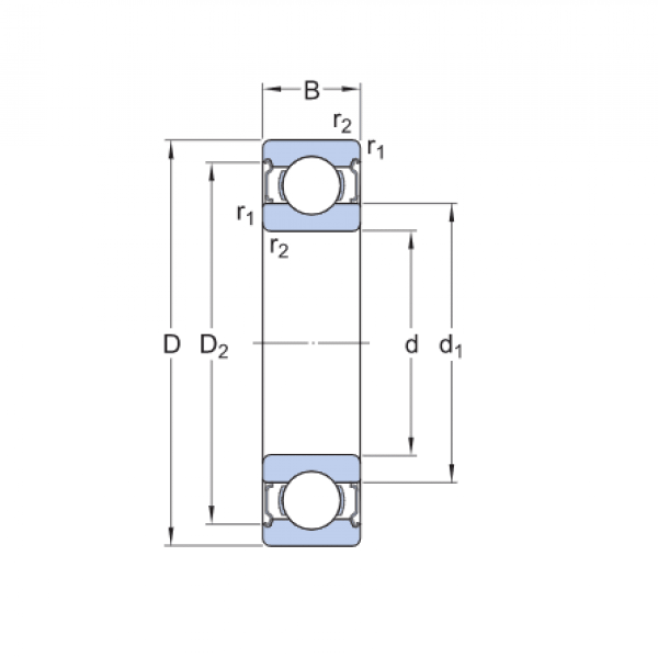
Ložisko 6024 2RS - MTM

Rozmer: 120x180x28 Značka: MTM
Externý sklad na dopyt
+
-
ks