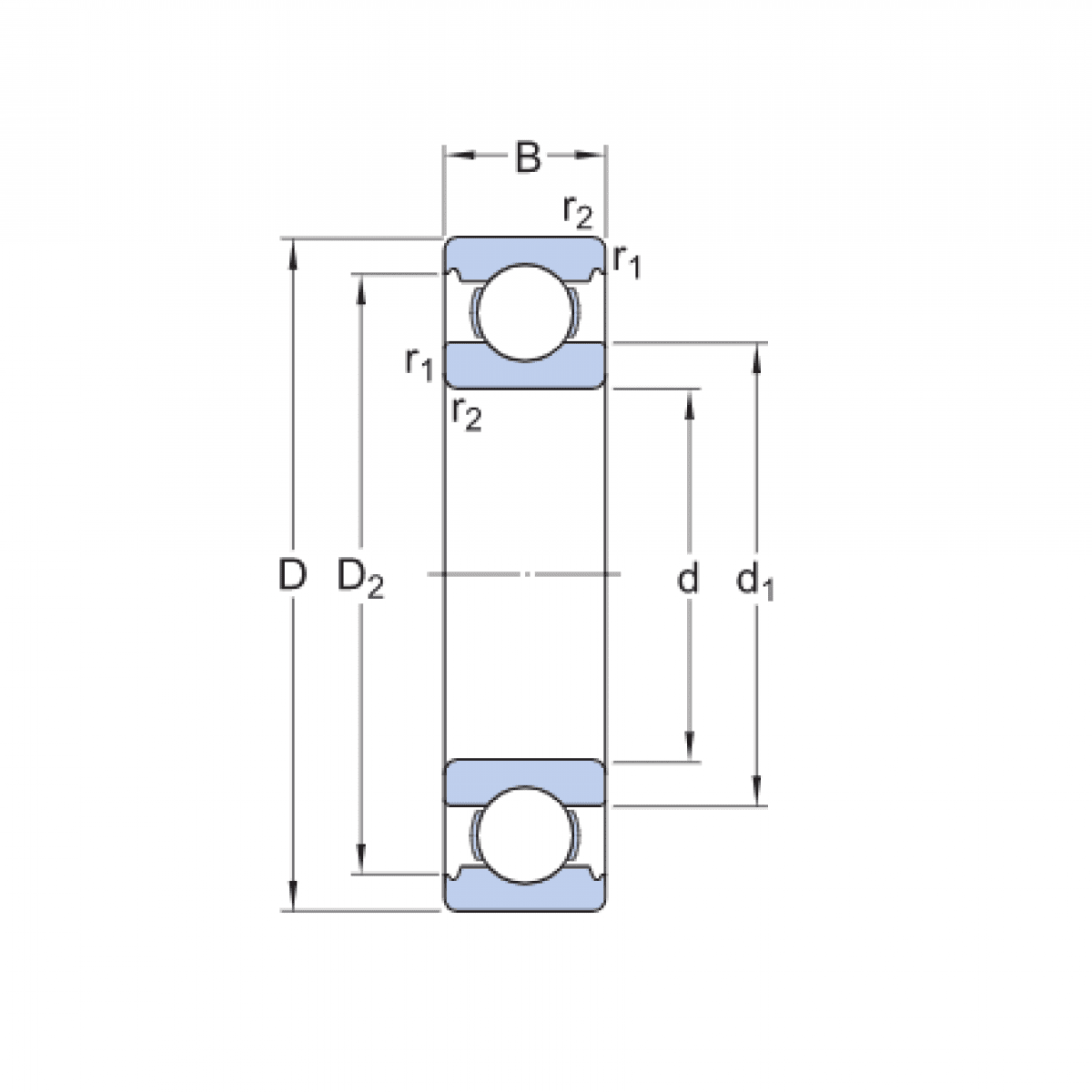
Ložisko 6024 C3 - ZKL NEW

Rozmer: 120x180x28 Značka: ZKL
Externý sklad na dopyt
+
-
ks