Ložisko 6024 - FAG

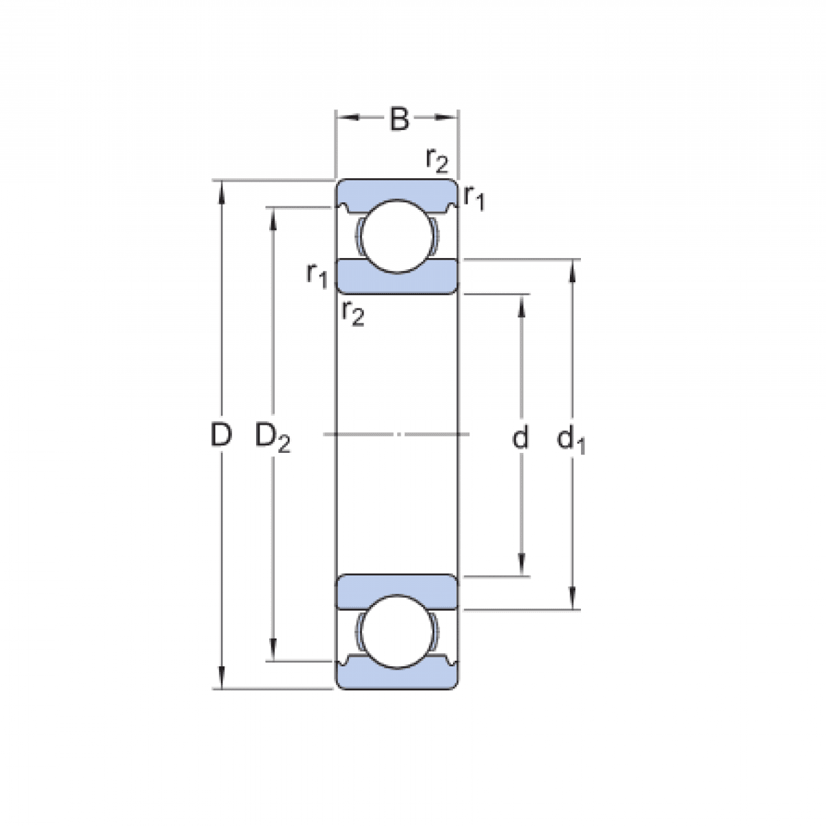
Rozmer: 120x180x28 Značka: FAG
Externý sklad na dopyt
+
-
ks