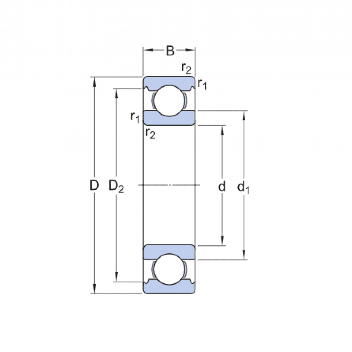
Ložisko 6026 C3 - ZKL NEW

Rozmer: 130x200x33 Značka: ZKL
Externý sklad na dopyt
+
-
ks