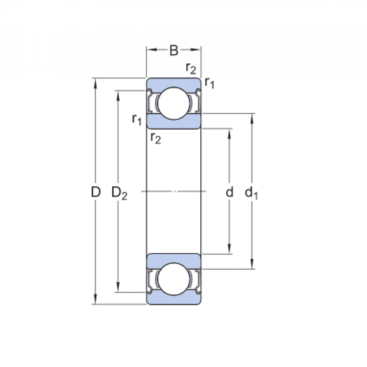
Ložisko 6026 ZZ - KBS

Rozmer: 130x200x33 Značka: KBS, KBC
Externý sklad na dopyt
+
-
ks