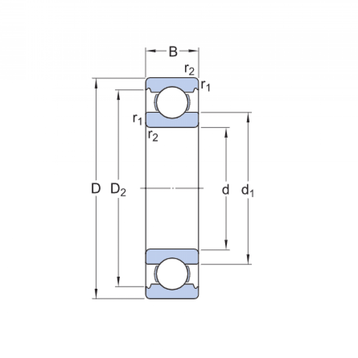
Ložisko 6028 - FAG

Rozmer: 140x210x33 Značka: FAG
Externý sklad na dopyt
+
-
ks