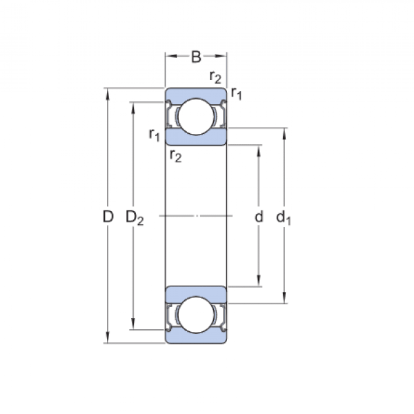
Ložisko 6030 2RS - KBS

Rozmer: 150x225x35 Značka: KBS, KBC
Externý sklad na dopyt
+
-
ks