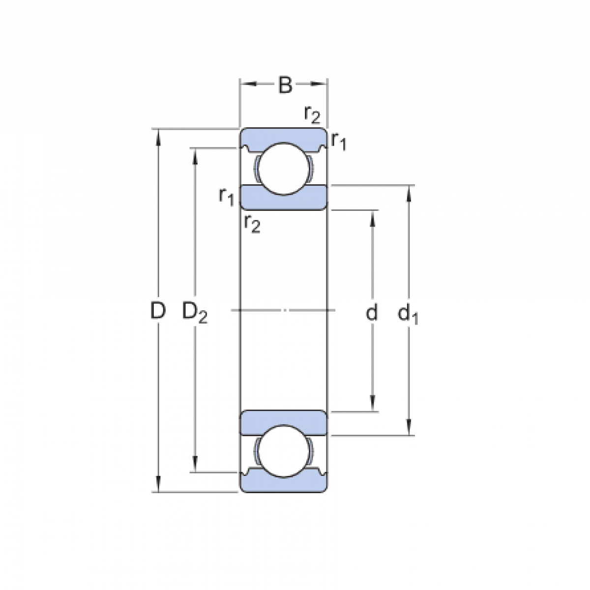
Ložisko 6034 C3 / AKE

Rozmer: 170x260x42 Značka: AKE
Externý sklad na dopyt
+
-
ks