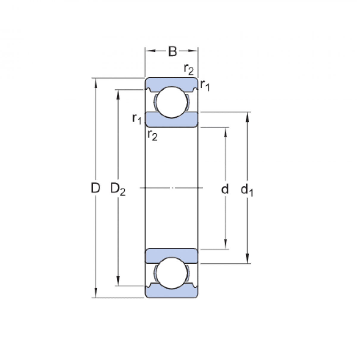
Ložisko 6036 - CX

Rozmer: 180x280x46 Značka: CX
Externý sklad na dopyt
+
-
ks