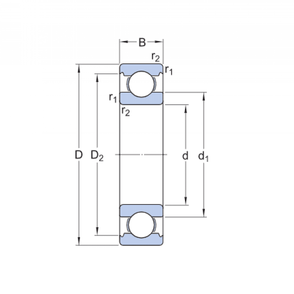
Ložisko 6044 - CX

Rozmer: 200x310x51 Značka: CX
Skladom 1 ks na dopyt
+
-
ks