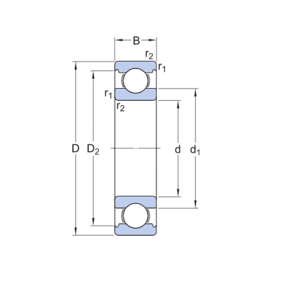
Ložisko 6080 M C3 - QCB

Rozmer: 400x600x90 Značka: CHINA+OSTATNÉ
Externý sklad na dopyt
+
-
ks