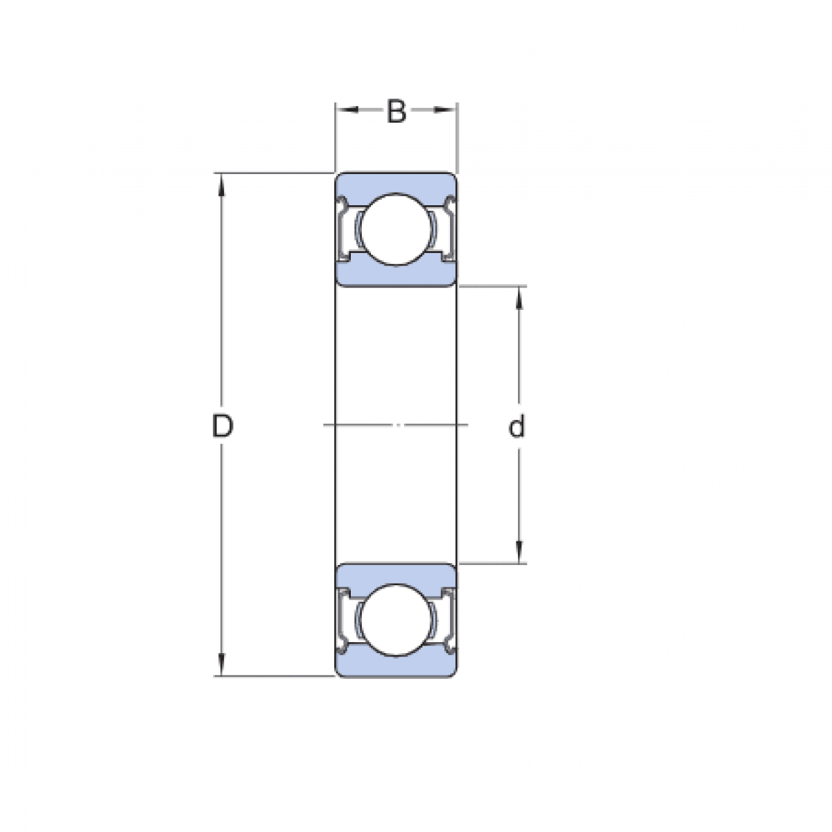
Ložisko 609 2RS C3 - FAG

Rozmer: 9x24x7 Značka: FAG
Externý sklad na dopyt
+
-
ks