Ložisko 6200 2RS C3 - ISB

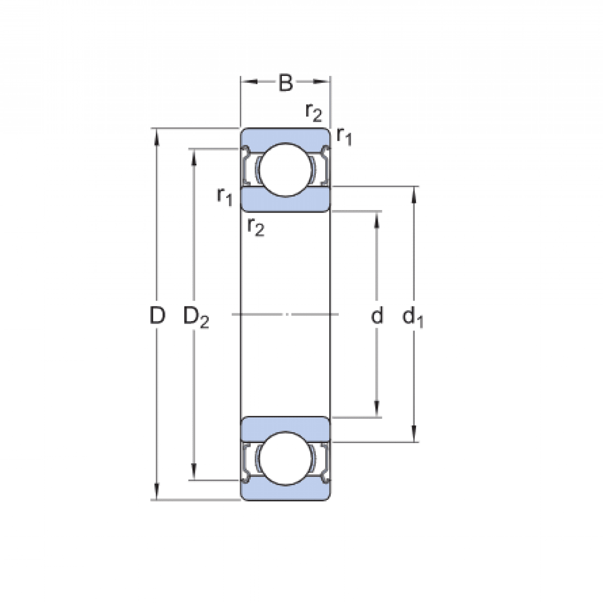
Rozmer: 10x30x9 Značka: ISB, JNS
Skladom 15 ks na dopyt
+
-
ks