Ložisko 6200 2RS - FAG

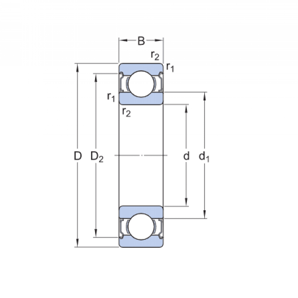
Rozmer: 10x30x9
Externý sklad na dopyt
+
-
ks