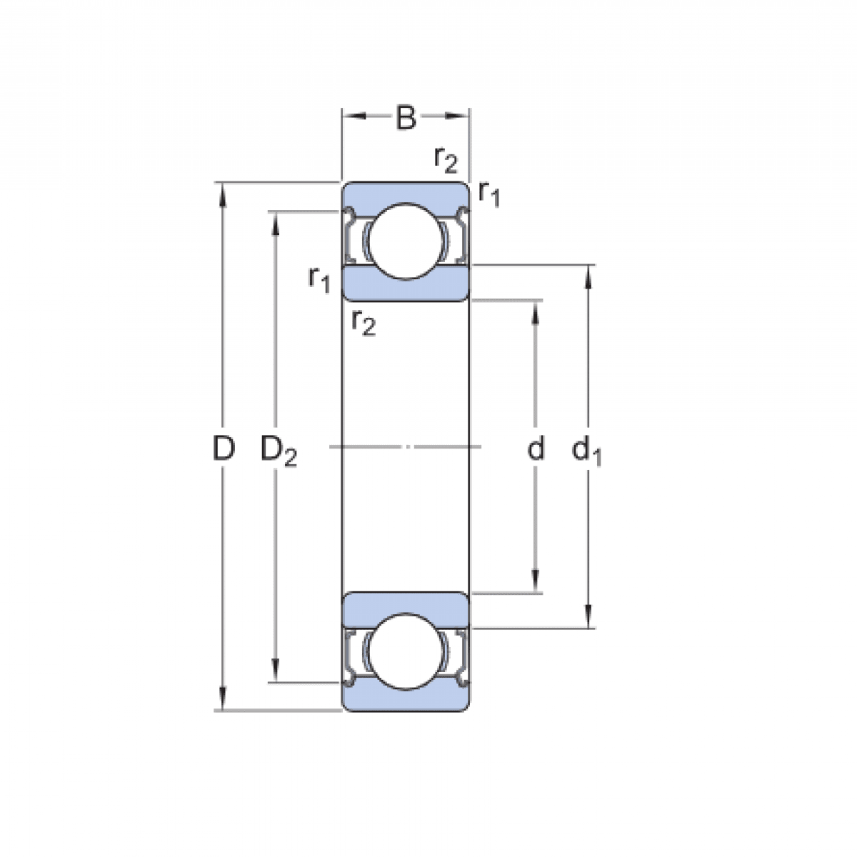
Ložisko 6200 2RS - MTM

Rozmer: 10x30x9 Značka: MTM
Externý sklad na dopyt
+
-
ks