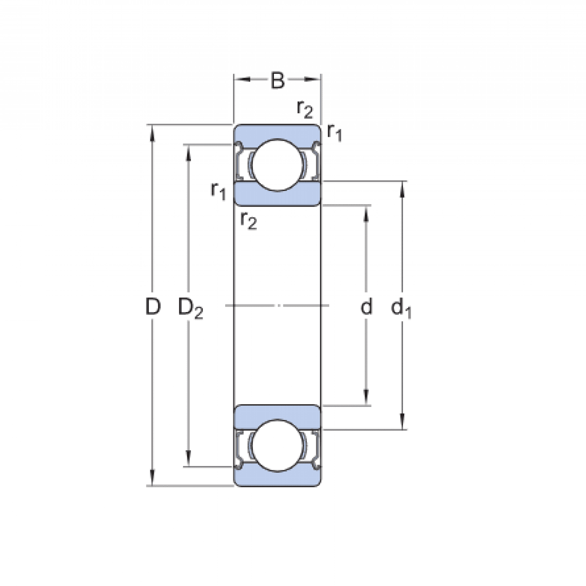
Ložisko 6200 2RS - ZEN

Rozmer: 10x30x9
Skladom 14 ks na dopyt
+
-
ks