Ložisko 6200 2RSR C3 - FAG

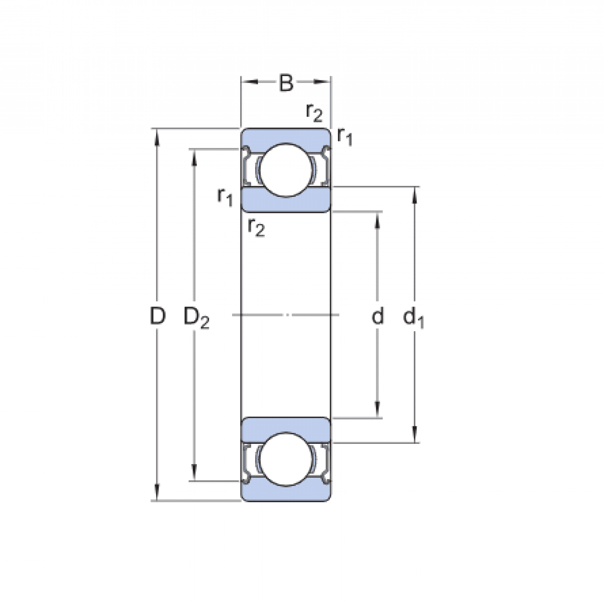
Rozmer: 10x30x9
Skladom 56 ks na dopyt
+
-
ks