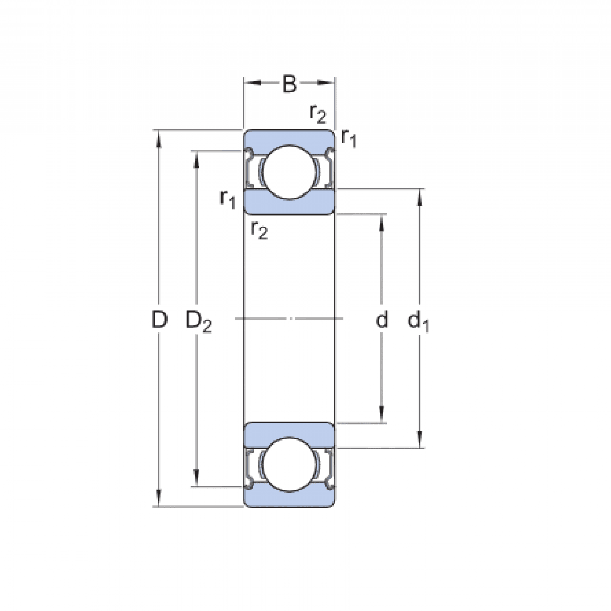
Ložisko 6200 2Z - MTM

Rozmer: 10x30x9 Značka: MTM
Externý sklad na dopyt
+
-
ks