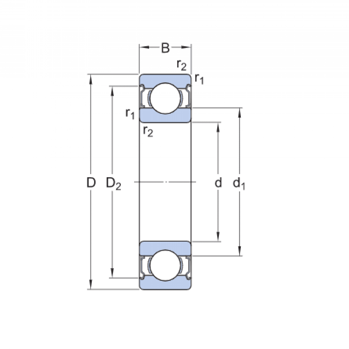
Ložisko 6200 2Z - ZKL NEW

Rozmer: 10x30x9 Značka: ZKL
Externý sklad na dopyt
+
-
ks