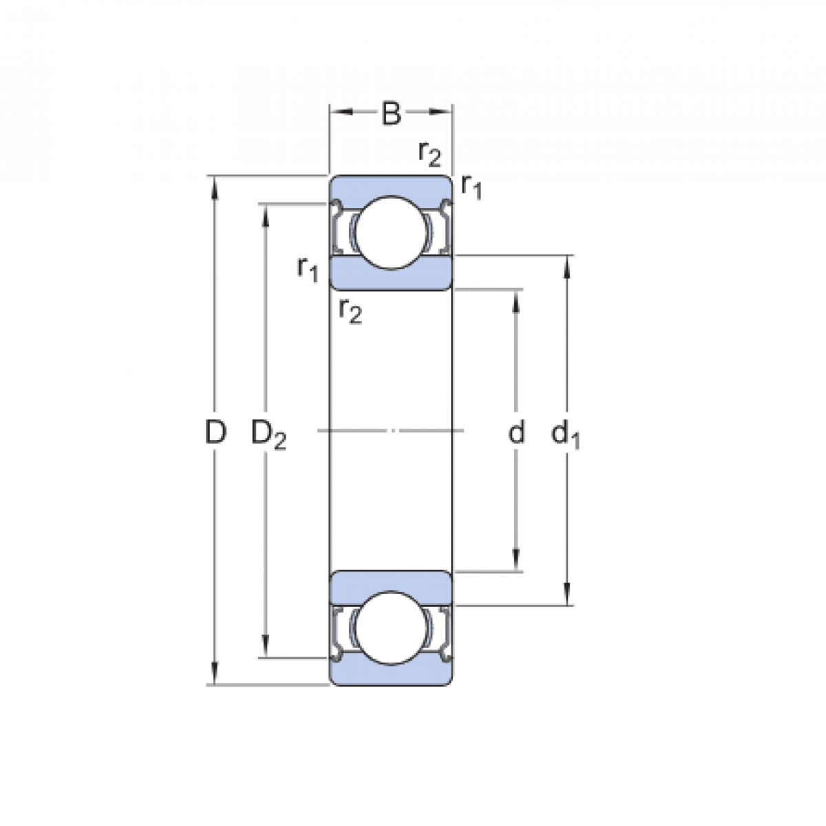
Ložisko 6200 2ZR C3- FAG

Rozmer: 10x30x9
Skladom 26 ks na dopyt
+
-
ks