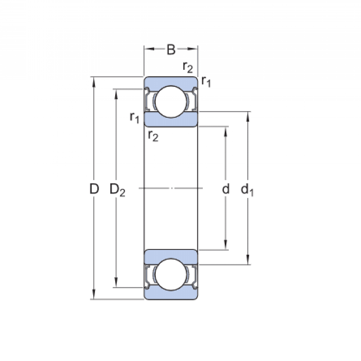
Ložisko 6200 2ZR - FAG

Rozmer: 10x30x9
Skladom 17 ks na dopyt
+
-
ks