Ložisko 6200 - CX

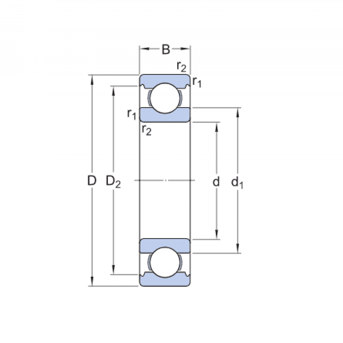
Rozmer: 10x30x9 Značka: CX
Skladom 15 ks na dopyt
+
-
ks