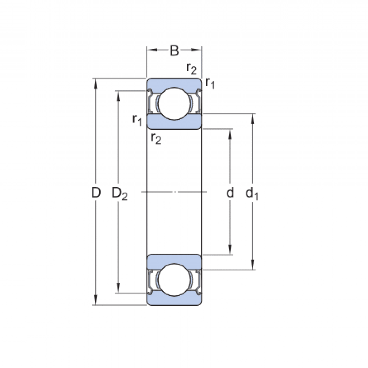
Ložisko 6201 2RS C3 - KOYO

Rozmer: 12x32x10 Značka: KOYO-TORRINGTON
Externý sklad na dopyt
+
-
ks