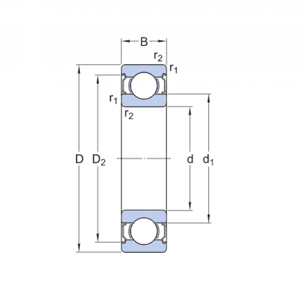
Ložisko 6201 2RS1 C3 - SKF

Rozmer: 12x32x10 Značka: SKF
Externý sklad na dopyt
+
-
ks