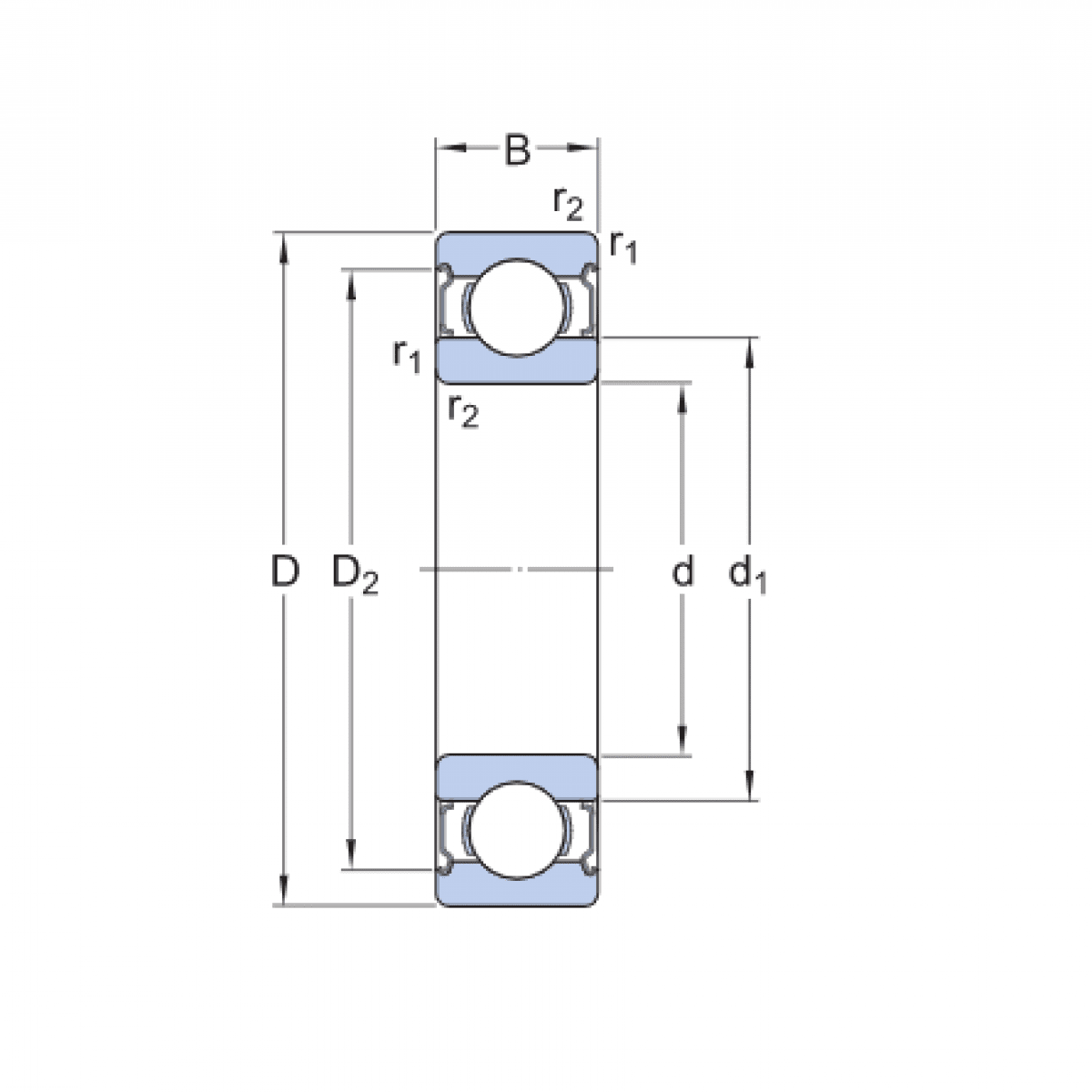
Ložisko 6201 2RSH - SKF

Rozmer: 12x32x10 Značka: SKF
Skladom 109 ks na dopyt
+
-
ks