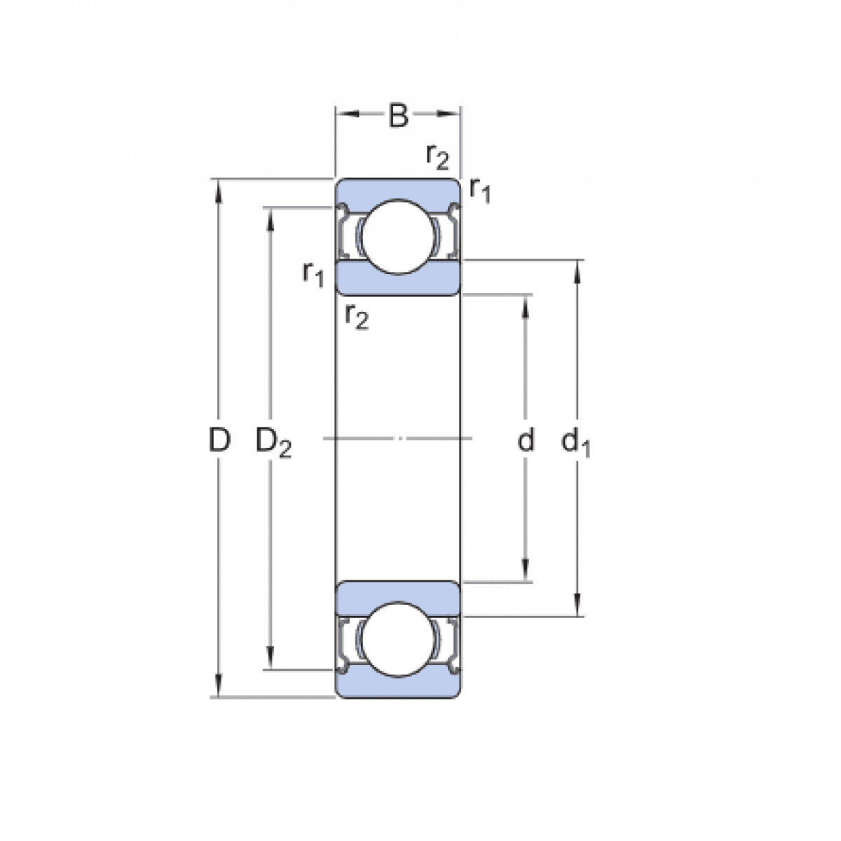
Ložisko 6201 2RSR - FAG

Rozmer: 12x32x10
Externý sklad na dopyt
+
-
ks