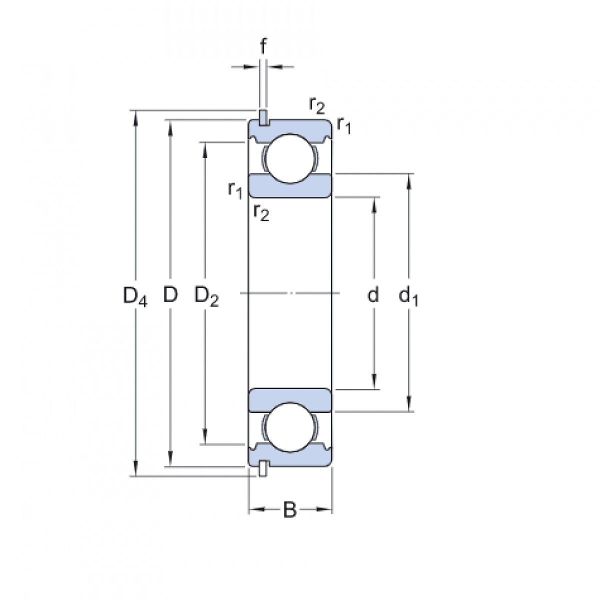
Ložisko 6201 2Z NR - NSK

Rozmer: 12x32x10 Značka: NSK
Skladom 2 ks na dopyt
+
-
ks